Cryomec NLL
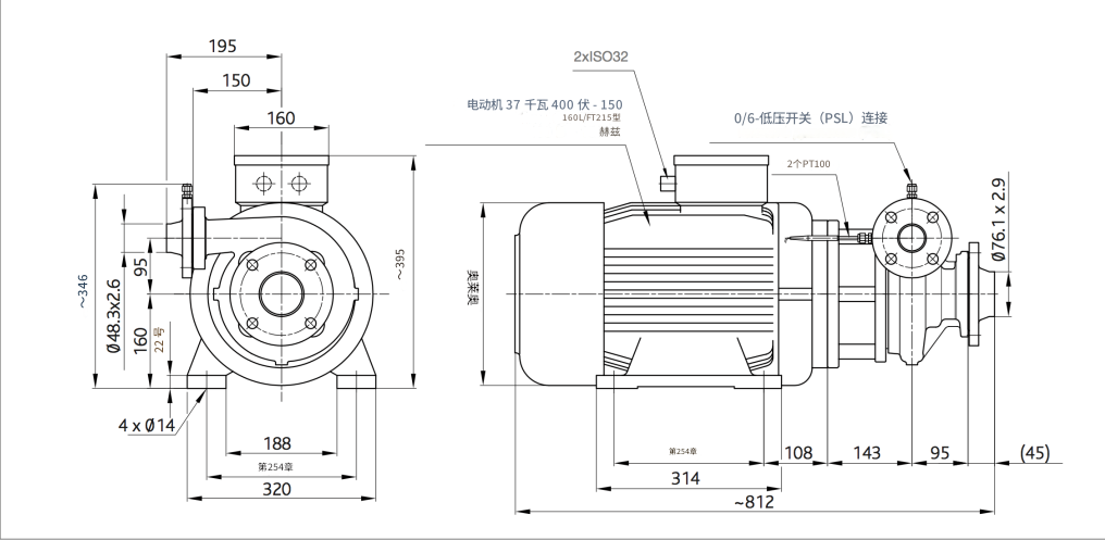
Cryomec NLL 泵专为将低温液体从一个储罐输送到另一个储罐而设计。泵体结构符合人体工程学且轻巧,适合安装在空间有限的场所。
与配备提升传动装置的泵相比,Cryomec NLL 泵由于没有齿轮传动和无需使用专为氧气环境设计的润滑油,维护成本更低。因此,该泵可用于氮气、氩气和氧气的输送,无需额外的结构改造。通过变频器,Cryomec NLL 泵能实现安全的噪音水平。
该泵可在0至150赫兹频率范围内运行,最高转速可达9000转/分钟。泵体配备安装在蜗壳内的温度传感器,确保泵的最佳冷却。
Cryomec NLL 泵采用多项技术创新。由于在泵的低温区安装了 Supercharger 压缩机,净正吸入压头(NPSH)得以降低。因此,该泵能够抽取储罐中的全部液体,减少储罐的加注频率。新的密封系统设计简化了维护流程,使维护成本降低一半。
凭借其结构设计及控制测量装置,Cryomec NLL 泵以实现最高的安全性和在各种工况下的最佳运行为目标。
| 液化介质 | 氧气、氩气、氮气* |
| 最大流量 | 650 升/分钟 |
| 设计压力 | 高达 33 巴 |
版权 © Fives – 保留所有权利

