Cryomec NLL
Насос Cryomec NLL специально спроектирован для перекачивания криогенных жидкостей из одних резервуаров в другие. Эргономичная и облегченная конструкция насоса позволяет устанавливать его в ограниченном пространстве.
По сравнению с насосами, оснащенными приводами с повышающими передачами, расходы на техобслуживание насоса Cryomec NLL меньше благодаря отсутствию шестерней передачи и необходимости использовать смазку, предназначенную для работы с кислородом. Таким образом, этот насос может использоваться для работы с азотом, аргоном и кислородом без дополнительных модификаций конструкции. Безопасный уровень шума насоса Cryomec NLL достигается благодаря вариатору частоты.
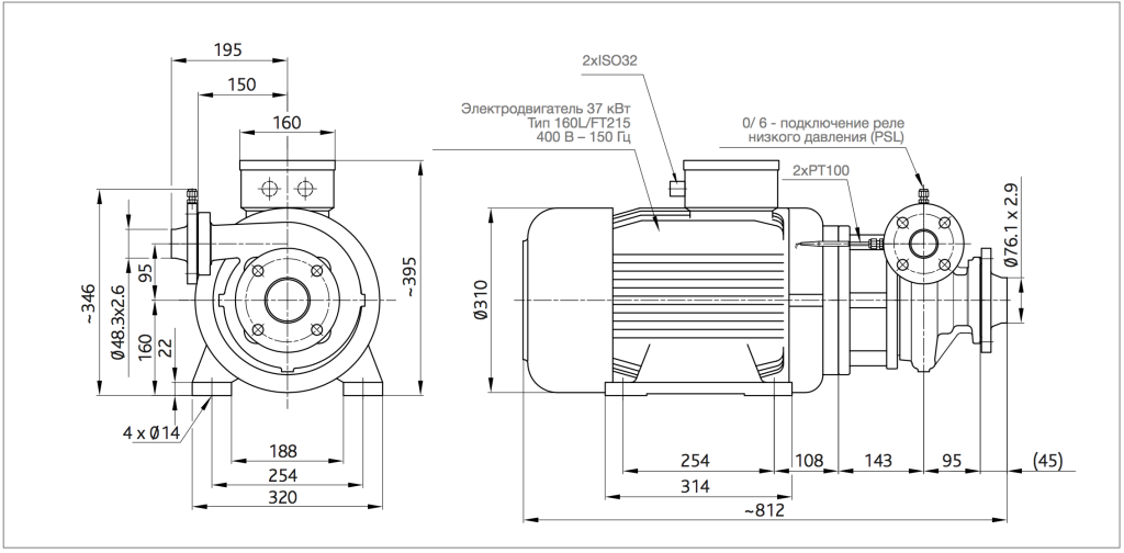
Данные рабочие характеристики позволяют эксплуатировать насос в диапазоне от 0 до 150 Гц и достигать максимальную скорость 9000 об/мин. Насос оснащен температурным датчиком, установленным в спиральный кожух, что гарантирует оптимальное охлаждение насоса.
В насосе Cryomec NLL применены различные технические инновации. Чистая положительная высота всасы- вания (NPSH) может быть уменьшена благодаря установке компрессора Supercharger в низкотемпературной секции насоса. Следовательно, такой насос может закачивать весь объем из исходных резервуаров, таким образом, сокращая частоту их заполнения. Новая кон- струкция системы герметизации упрощает и вдвое сокращает расходы на техобслуживание.
Благодаря своей конструкции и контрольно-измерительным приборам насос Cryomec NLL ориентирован на максимальную безопасность эксплуатации и оптимальную работу при любых условиях.
| Сжиженные среды | Кислород, аргон, азот* |
| Макс. производительность | 650 л/мин |
| Расчетное давление | До 33 бар |
Copyright © Fives – All rights reserved

